1JQB-HX2131Bֱ̽Ӱװ̽ȼй©ijһоֱӽ뱨Դ߽С2.5mm2ԽԶ߾ӦӦҪʱ迼ֳڹҵԴ̽⣬·߲˫ߡ
2û̽岻ͬJQB-HX2131B̽ӦװλҲͬȻ˹úıرȿᣬ̽ӦװҺʯƾȵıرȿأӦװھС30cmĵطˮƽھԴȼߴ1.5mС4m
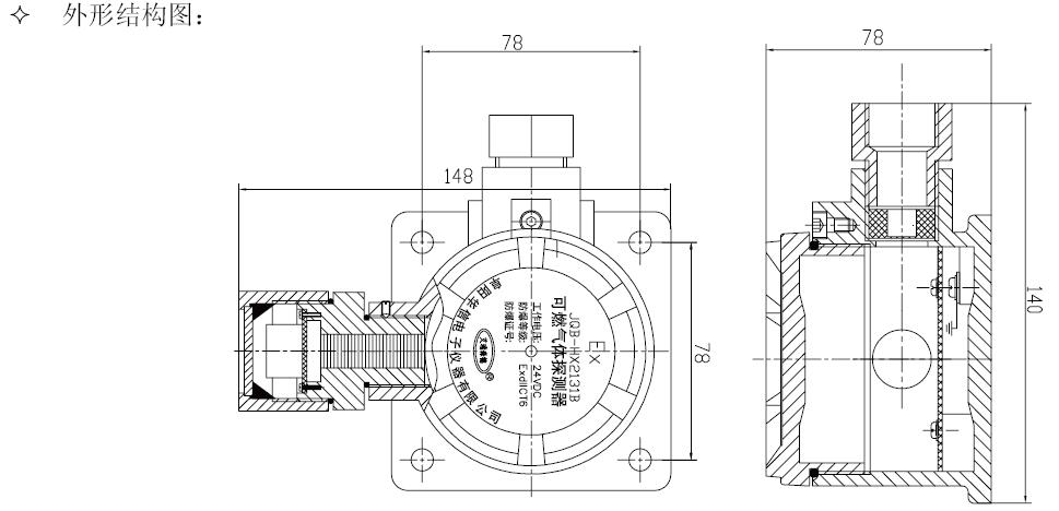
3JQB-HX2131B̽װλӦ̡ܿҳȷֱӰĵطֹˮˮ롣
4Ҫ
a.밴̽涨аװ롣
b.ѹõСֱΪ10mm
c.װòӦüǣԷ˵¡
d.װðװ֮Ӧ߲ͨܲж
5ֱַͣӽ뱨·
6ʹרñбַ1-200ű롣
7ӣߣӵԴ

˵
̽L1L2ӱߣԣ24V+ӵԴG24VԴ

